为了设计效率和外形尺寸最优的开关电源电路,二极管必须具备以下一些特性:反向恢复和正向恢复时间短;最小的储存电荷Qrr;低漏电流和开关损耗。过压和浪涌电流能力非常重要,它们能够用来处理PFC中由启动和交流回落引起的浪涌和过电流。这些特性只有用碳化硅肖特基二极管才能实现。
与采用Si或GaAS技术的传统功率二极管相比,碳化硅肖特基二极管(SiC-SBD)可大幅降低开关损耗并提高开关频率,同时可带来比采用Si技术的肖特基二极管高得多的操作电压范围。利用碳化硅肖特基二极管,可在如PC、服务器以及移动电话基站等系统里采用可靠、紧凑并且开关频率高的开关模式电源(SMPS)。碳化硅肖特基二极管中缺少正向和反向恢复电荷,因此可以用更小的MOSFET来降低成本,器件温度也会降低,SMPS也可以得到更高的可靠性。由于开关损耗低,因此这些二极管可在高开关频率下操作,而无需复杂的共振式开关电路或缓冲器。低开关损耗同样使SMPS无需使用散热片和风扇。由于碳化硅肖特基二极管的开关行为独立于正向电流、开关速度(di/dt)和温度,因此这种二极管在设计中得到了广泛的使用。在设计中采用SiC肖特基二极管能够实现最大的开关工作频率(最高可达1MHz),从而可以使用更小体积的无源器件。
下面以碳化硅肖特基二极管在开关电源中的应用(并联)为例来说明碳化硅肖特基二极管的优良特性。
1.碳化硅肖特基二极管实验模块
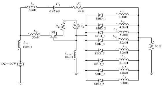
碳化硅肖特基二极管实验的电路模型如图1所示。它包括8个碳化硅肖特基二级管,这些二极管安装在以Au-Si作为焊剂的铜负电极和以铝作为等电位连接线的铜正电极及陶瓷衬底(AIN)上,碳化硅肖特基二极管和AIN之间使用了硅橡胶进行绝缘。在实验中这8个二极管的固有参数不完全相同。

图1 碳化硅肖特基二极管实验模块的电路模型
2.并联连接实验分析
对碳化硅肖特基二极管而言,并联分流没有问题,且碳化硅肖特基二极管几乎没有开关损耗,因此只考虑直流电流。在最坏的考虑下模拟碳化硅肖特基二极管并联二极管谐振的情况。暂态分析的模型如图2。

图2 最坏情况下双脉冲开关分析模型
因为在碳化硅肖特基二极管模块中各个二极管的电流并不能直接测量出来,为了验证直流电流各个二极管的分流情况,所以改测碳化硅肖特基二极管模块各个二极管的表面温度。并联芯片之间的谐振也需要验证,同样,二极管的电流和电压无法测量,所以测量模块的电压和电流。实验结果表明,各个二极管的节温上升的差别很小,如表1 所示。使用碳化硅肖特基二极管后使整个开关系统的损耗大大降低;同时,即使电路中分流不均匀,有谐振都不会造成非常大的影响。

表1 正向电压和碳化硅肖特基二极管的结温
3.结语
对电力电子器件而言,SiC材料的优势并不仅仅在于提高器件的耐压能力。SiC电力电子器件要真正进入市场与硅器件竞争,更重要的一点是因为它在大幅度降低功率消耗方面具有巨大的潜力。已上市的碳化硅肖特基势垒二极管和仍在实验中的其他碳化硅功率器件都证实了这一点。碳化硅作为制造电力电子器件的一种新材料,它的节能优势迅速的在电力电子技术上得到了充分的发挥。SSiC与Si在电力电子技术领域竞争的另一优势是能够兼顾器件的功率和频率以及耐高温。这些正好都是电力电子技术的进一步发展对器件提出的基本要求,而Si和GaAs在这些方面都有很大的局限性。
本文来源于:电子产品世界论坛从小就是电子迷